Toro 22040 outlet
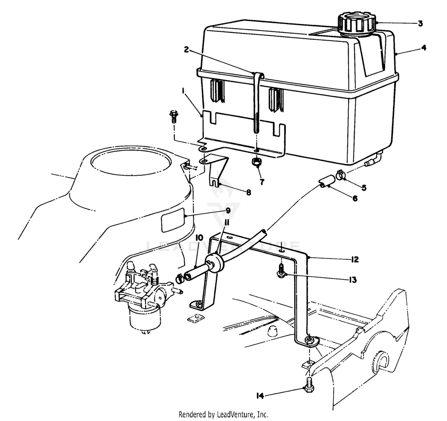
Toro 22040 outlet, Toro 22040 Lawnmower 1993 SN 3900001 3999999 Gas Tank Assembly outlet
$0 today, followed by 3 monthly payments of $16.67, interest free. Read More
Toro 22040 outlet
Toro 22040 Lawnmower 1993 SN 3900001 3999999 Gas Tank Assembly
The ROP Shop Fuel Filter for 1992 Toro 22036 22040 22622
Used toro Groundsmaster 360 Zero Turn Mowers in Listed on
Toro 22040 Toro 21
Genuine Toro Rear Grass Bag for Recycler 22031 22038 22040
VINTAGE TORO COMMERCIAL self propelled Mower 21 Inch 22040 2cycle
max-e.com.co
Product Name: Toro 22040 outletToro 22040 self propelled commercial mower Lawn Care Forum outlet, VT 21 outlet, Toro 22040 Commercial Mower YouTube outlet, Brand New Toro Model 22040 Suzuki 2 Stroke Lawn Care Forum outlet, Toro Proline 21 outlet, Picked up Toro 22040 w suzuki 2 stroke. Hows everyone like em outlet, Toro Commercial 22040 Mower With 2 Cycle Suzuki Engine for sale outlet, Toro 22040 Pro Line Self Propelled Commercial mower for Sale in outlet, Toro 22040 ProLine 21 Recycler II Lawnmower 2000 200000001 outlet, Tuning up an old 2 stroke Toro 1996 Toro commercial mower outlet, Local to me Toro 22040 My Tractor Forum outlet, Toro 22040 Proline Commercial 21 with Suzuki 2 stroke Lawn Mower outlet, Toro 22040 Toro 21 outlet, The Hardware Store Calling all Toro fans. Our Toro distributor outlet, Toro 22040 Lawnmower 1995 SN 5900001 5999999 Parts Diagram for outlet, Toro Commercial 22040 Mower With 2 Cycle Suzuki Engine for sale outlet, TORO COMMERCIAL PROLINE Suzuki ENGINE MOTOR 5.5 hp 22040 22043 outlet, Replacement belt for TORO 368070 walk behind mower outlet, Looking at an older Commercial Toro 22040 tomorrow Tips outlet, Toro 22040 ProLine 21 Recycler II Lawnmower 2002 220000001 outlet, 1993 Toro 22040 Proline Stihl FS94 and BR420 In Action outlet, TORO 22040 OPERATOR S MANUAL Pdf Download ManualsLib outlet, Toro 22040 21 outlet, Used toro Groundsmaster 360 Zero Turn Mowers in Listed on outlet, Pack of 3 Primer BulbBody for 1994 Toro 22040 22043 Palestine Ubuy outlet, Toro 22040 Toro 21 outlet, TORO 74 1860 COMMERCIAL 21 outlet, Toro 22040 Proline Commercial 21 with Suzuki 2 stroke Lawn Mower outlet, Repuestos para cortac sped Toro 22040 ProLine 21in Recycler II outlet, Amazon Traction Control Cable Part 74 1791 Fits Toro 21 outlet, Toro Proline 21 outlet, Toro Proline Stihl chainsaw parts washer and mower blades Lawn outlet, ArtStation Lawnmower TORO TV5002 outlet, Toro 22040 Lawn Mower 8900001 8999999 1998 outlet, Toro Repower 724. my first repower project. Snowblower Forum outlet, Toro Commercial Mower 21 Inch 2 Cycle Suzuki 22043 eBay outlet, Toro 22040 ProLine 21 Recycler II Lawnmower 2000 200000001 outlet, Toro 22040 Lawnmower 1992 SN 2000001 2999999 Parts Diagram for outlet, Toro 22040 Walk Behind Lawn Mower Service Shop Repair outlet, Toro Commercial 2 Stroke Mower Bonus Repair Video Lawnmower outlet, Genuine Toro Rear Grass Bag for Recycler 22031 22038 22040 outlet, N KOSIARKI Toro 20211 20219 22036 22040 ProLine BIMA SP KA outlet, Toro 22040 My Tractor Forum outlet, Toro 22040 Lawnmower 1993 SN 3900001 3999999 Gas Tank Assembly outlet, The ROP Shop Fuel Filter for 1992 Toro 22036 22040 22622 outlet, Used toro Groundsmaster 360 Zero Turn Mowers in Listed on outlet, Toro 22040 Toro 21 outlet, Genuine Toro Rear Grass Bag for Recycler 22031 22038 22040 outlet, VINTAGE TORO COMMERCIAL self propelled Mower 21 Inch 22040 2cycle outlet, 20210 22040 22043 Blade 16.56 Price includes Vat and outlet.
-
Next Day Delivery by DPD
Find out more
Order by 9pm (excludes Public holidays)
$11.99
-
Express Delivery - 48 Hours
Find out more
Order by 9pm (excludes Public holidays)
$9.99
-
Standard Delivery $6.99 Find out more
Delivered within 3 - 7 days (excludes Public holidays).
-
Store Delivery $6.99 Find out more
Delivered to your chosen store within 3-7 days
Spend over $400 (excluding delivery charge) to get a $20 voucher to spend in-store -
International Delivery Find out more
International Delivery is available for this product. The cost and delivery time depend on the country.
You can now return your online order in a few easy steps. Select your preferred tracked returns service. We have print at home, paperless and collection options available.
You have 28 days to return your order from the date it’s delivered. Exclusions apply.
View our full Returns and Exchanges information.
Our extended Christmas returns policy runs from 28th October until 5th January 2025, all items purchased online during this time can be returned for a full refund.
Find similar items here:
Toro 22040 outlet
- toro 22040
- toro washout port
- sx75 john deere
- husqvarna kohler
- yth2454 husqvarna
- reddit best lawn mower
- toro groundsmaster 5910
- john deere l145
- hustler 3700
- kobalt lawn mower battery replacement