Craftsman lt1000 ignition outlet switch diagram
Craftsman lt1000 ignition outlet switch diagram, Craftsman Ride On Lawn Tractor Wont Start Page 2 TractorByNet outlet
$0 today, followed by 3 monthly payments of $16.00, interest free. Read More
Craftsman lt1000 ignition outlet switch diagram
Craftsman Ride On Lawn Tractor Wont Start Page 2 TractorByNet
Ignition Starter Switch For Craftsman LT1000 LT2000 LT3000 Riding Lawn 193350
PartsWarehouse
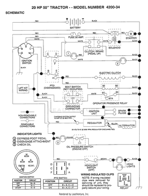
Tractor Schematic Ignition Switch Wiring Insulated Clips
handlebar wiring
CRAFTSMAN RIDING MOWER IGNITION SWITCH 163968 175566 PMN 4534TG48 3464YHRE437566
max-e.com.co
Product Name: Craftsman lt1000 ignition outlet switch diagramCraftsman Lt1000 Wiring Diagram Electrical wiring diagram House outlet, Craftsman LT 1000 ignition wiring. TractorByNet outlet, Lawn Mower Ignition Switch Wiring Diagram Craftsman riding lawn outlet, Craftsman Riding Mower Electrical Diagram Wiring Diagram outlet, SOLVED How do I wire a new ignition switch Craftsman Riding outlet, kohler lt1000 wiring schematic what the heck My Tractor Forum outlet, SOLVED How do I wire a new ignition switch Craftsman Riding outlet, What are the color code for ignition switch block for a Craftsman outlet, Craftsman Lt1000 Belt Diagram Lawn tractor Craftsman riding outlet, Wiring Diagram for A Craftsman Riding Mower Electrical diagram outlet, What causes a yellow wire that s connected to the solenoid switch to outlet, Craftsman Riding Mower Wiring Schematic Craftsman riding lawn outlet, What causes dead battery in Craftsman LT1000 sit down mower outlet, SOLVED Craftsman lawn tractor won t start Craftsman Riding outlet, Wiring Diagram for A Craftsman Riding Mower Electrical diagram outlet, Riding Mower Starting System Wiring Diagram Part 1 outlet, Craftsman lawn tractor continues to blow fuse as soon as I replace one outlet, How a Lawn Tractor Ignition Switch Works Test Diagnose Fix outlet, SOLVED Craftsman lawn tractor won t start Craftsman Riding outlet, Craftsman lawn tractor continues to blow fuse as soon as I replace one outlet, Briggs Engine Swap Wiring Question. I swapped a 17.5hp OHV with a outlet, 20 CRAFTSMAN LT1000 42 outlet, Craftsman Wiring and Safety Switches outlet, Craftsman riding mower no power when key is turned on outlet, Amazon Lumix GC Key Ignition Switch for Craftsman LT2000 outlet, Craftsman Riding Lawn Mower Replace Ignition Switch 532193350 outlet, wiring up a modern key switch outlet, MaxPower Ignition Switch for Craftsman Husqvarna Poulan Mowers Replaces OEM s 140301 532140301 and Many Others 334013B The Home Depot outlet, Craftsman Lt2000 Wiring Diagram Unique Lawn tractor Riding lawn outlet, SOLVED I want to download a wiring diagram for a Craftsman Fixya outlet, Amazon HD Switch Ignition Starter Switch fits Craftsman for outlet, CRAFTSMAN YT3000 COMPLETE WIRING HARNESS IGNITION SWITCH outlet, Why won t my riding mower start outlet, Poulan PP20H46A Tractor Parts Diagram for Electrical Schematic outlet, Craftsman 917270743 front engine lawn tractor manual outlet, Fuse blown after a few minutes of running on Craftsman Lawn outlet, SOLVED I need a wiring diagram for a craftsman ignition outlet, Ignition Starter Switch For Craftsman LT1000 LT2000 LT3000 Riding Lawn 193350 outlet, Craftsman 24 HP 48 Inch Mower Manual PDF Tractor Motor Oil outlet, Ignition Starter Switch For Craftsman LT1000 LT2000 LT3000 Riding Lawn 193350 outlet, 20 CRAFTSMAN LT1000 42 outlet, 2 Pcs Lawn Mowers Tractor Ignition Switch Riding Lawn Mower Ignition Switch with 4 Keys 5 Terminals for 925 04659 725 04659 outlet, Ignition Switch w Key Craftsman YS4500 LT2000 GT550 LT1000 LT1500 outlet, Craftsman Ride On Lawn Tractor Wont Start Page 2 TractorByNet outlet, Ignition Starter Switch For Craftsman LT1000 LT2000 LT3000 Riding Lawn 193350 outlet, PartsWarehouse outlet, Tractor Schematic Ignition Switch Wiring Insulated Clips outlet, handlebar wiring outlet, CRAFTSMAN RIDING MOWER IGNITION SWITCH 163968 175566 PMN 4534TG48 3464YHRE437566 outlet, Amazon HD Switch 532175566 175566 532163968 925 1741 725 1741 outlet.
- 
                        
                            Next Day Delivery by DPD
                        
                        
                            Find out more
                        
                        
Order by 9pm (excludes Public holidays)
$11.99
 - 
                        
                            Express Delivery - 48 Hours
                        
                        
                            Find out more
                        
                        
Order by 9pm (excludes Public holidays)
$9.99
 - 
                        
Standard Delivery $6.99 Find out more
Delivered within 3 - 7 days (excludes Public holidays).
 - 
                        
Store Delivery $6.99 Find out more
Delivered to your chosen store within 3-7 days
Spend over $400 (excluding delivery charge) to get a $20 voucher to spend in-store - 
                        
International Delivery Find out more
International Delivery is available for this product. The cost and delivery time depend on the country.
 
You can now return your online order in a few easy steps. Select your preferred tracked returns service. We have print at home, paperless and collection options available.
You have 28 days to return your order from the date it’s delivered. Exclusions apply.
View our full Returns and Exchanges information.
Our extended Christmas returns policy runs from 28th October until 5th January 2025, all items purchased online during this time can be returned for a full refund.
Find similar items here:
Craftsman lt1000 ignition outlet switch diagram
- craftsman lt1000 ignition switch diagram
 - grass cutter machine bunnings
 - greenworks tools cordless lawn mower g40lm35k2
 - small electric grass cutting machine
 - top grass cutting machine
 - yard machine 13ab775s000
 - yard machine mulching blade
 - yard machine riding lawn mower 14.5 hp
 - craftsman lt1000 backfires
 - core aeration machine for sale