Troy outlet bilt tb320
Troy outlet bilt tb320, Troy Bilt TB320 41AS320G766 41AS320G766 TB320 Engine Parts outlet
$0 today, followed by 3 monthly payments of $13.67, interest free. Read More
Troy outlet bilt tb320
Troy Bilt TB320 41AS320G766 41AS320G766 TB320 Engine Parts
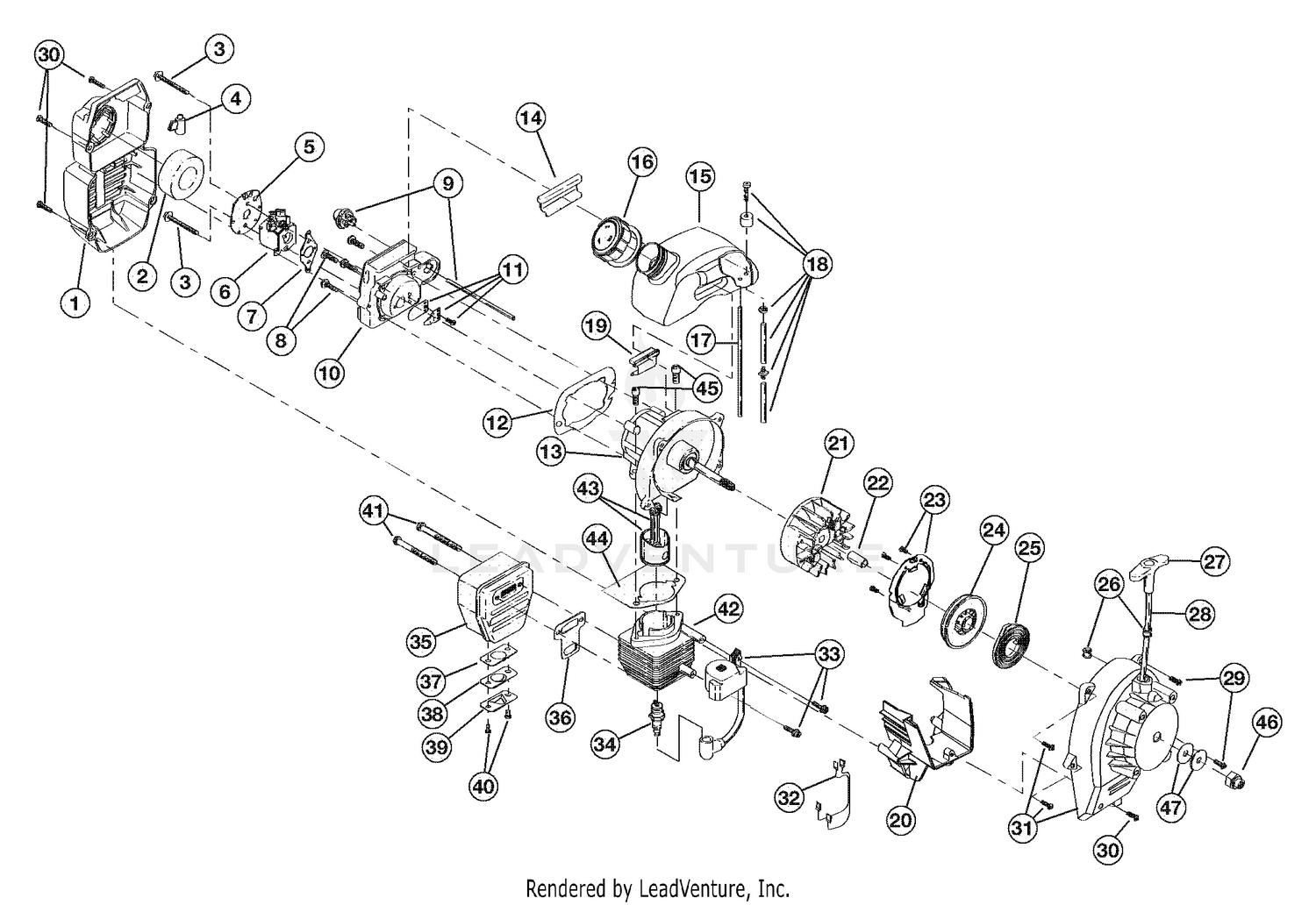
Troy Bilt TB320 41AS320G766 41AS320G766 TB320 Parts Diagram for
Carburetor For Troy Bilt TB320 TB330 TB340 TB370 TB554 11A A2BM766 Lawn Mower
Troy Bilt TB320 150 cc 21 in Self Propelled Gas Lawn Mower with
Troy Bilt TB320 Item 806388 Lowe s Lawn Mower Tractor
Carburetor For Troy Bilt TB320 TB330 TB340 TB370 TB554 11A A2BM766
max-e.com.co
Product Name: Troy outlet bilt tb320Troy Bilt TB320 190 cc 21 in Self propelled Gas Lawn Mower with outlet, Troy Bilt TB320 150 cc 21 in Self Propelled Gas Lawn Mower with outlet, Troy Bilt TB320 150 cc 21 in Self propelled Gas Lawn Mower with outlet, Troy Bilt TB320 XP Self Propelled Mower Troy Bilt US outlet, Troy Bilt TB320 XP Self Propelled Mower Troy Bilt US outlet, Troy Bilt TB320 150 cc 21 in Self propelled Gas Lawn Mower with outlet, Carburetor For Troy Bilt TB320 Briggs Stratton 725EX Series Lawn outlet, Troy Bilt TB320 XP Self Propelled Mower Troy Bilt US outlet, Troy Bilt undefined in the Gas Push Lawn Mowers department at outlet, Troy Bilt TB320 150 cc 21 in Self Propelled Gas Lawn Mower with outlet, Lawn Mower Unboxing Ethanol Free Gas Review Troy Bilt TB320 outlet, Carburetor for Troy Bilt TB105 TB110 TB115 TB200 TB220 TB230 TB280 TB320 TB330 TB340 TB370 TB554 11A A2BM766 11A A2BM711 11A A230711 11A A23O711 Lawn outlet, Troy Bilt TB320 150 cc 21 in Self propelled Gas Lawn Mower with outlet, Find more Troy bilt Tb320 190cc Self Propelled Mower for sale at outlet, Carburetor For Troy Bilt TB320 TB330 TB340 TB370 TB554 11A A2BM766 outlet, Troy Bilt Mower Engine Cover Shroud TB320 eBay outlet, Troy Bilt TB320 150 cc 21 in Self propelled Gas Lawn Mower with outlet, Amazon TOPREPAIR Recoil Pull Starter for Troy Bilt 190cc outlet, Ngk Spark Plug Gasket Carb Carburetor For Troy Bilt TB320 Lawn Mower 12A C2BU711 eBay outlet, Troy Bilt TB320 150 cc 21 in Self propelled Gas Lawn Mower with outlet, New Models Carl s Equipment Supply Patchogue NY 631 475 4105 outlet, User manual Troy Bilt TB320 XP English 72 pages outlet, Recoil Pull Starter for Troy Bilt 190cc TB320 725EX Mower 12AVC35U711 12AVC35U766 outlet, Carb Carburetor For Troy Bilt TB320 Lawn Mower 21 outlet, Air Filter Kit For Troy Bilt walk behind mower models TB110 TB115 TB200 TB230 TB240 TB320 TB330 TB370 Fits Troy Bilt TB280ES TB390ES TB380ES outlet, Replaces Maintenance Kit For Troy Bilt TB320 Lawn Mower Mower outlet, Troy Bilt Tb320 21 in Self propelled Gas Lawn Mower Briggs outlet, Amazon TOPREPAIR Ignition Coil for Troy Bilt TB320 TB25ET outlet, Pull Start Recoil Starter For Troy Bilt TB320 Briggs Stratton outlet, Troy Bilt TB320 review 46 facts and highlights outlet, Troy Bilt TB320 150 cc 21 in Self Propelled Gas Lawn Mower with outlet, Troy Bilt TB320 Item 806388 Lowe s Lawn Mower Tractor outlet, Troy Bilt TB320 12AVC35U711 2013 12AVC35U711 2013 General Assembly outlet, Recoil Starter For Troy Bilt TB320 Lawn Mower 12A C2BU711 eBay outlet, Troy Bilt 190 cc 21 in Self Propelled Lawn Mower for Sale in St. Petersburg FL OfferUp outlet, Troy Bilt TB320 Mower in Action on Uneven Terrain How Well Does It Work outlet, Pull Starter For Troy Bilt TB320 Briggs Stratton 725EX Series outlet, 21 inch troy bilt tb320 carburetor cleaning briggs and stratton 625 ex 150cc outlet, Recoil Pull Starter For Troy Bilt 190cc TB320 mower mdl 12AVC35U711 12AVC35U766 outlet, Troy Bilt TB320 150 cc 21 in Self propelled Gas Lawn Mower with outlet, Troy Bilt Self Propelled Lawn Mower Model 12AVC35U711 Troy Bilt US outlet, Amazon Drive Cable Replacement for Troy Bilt TB110 TB230 outlet, 2PCS Blade For Troy Bilt TB320 TB320XP Lawn Mowers Walmart outlet, Troy Bilt TB320 41AS320G766 41AS320G766 TB320 Engine Parts outlet, Troy Bilt TB320 41AS320G766 41AS320G766 TB320 Parts Diagram for outlet, Carburetor For Troy Bilt TB320 TB330 TB340 TB370 TB554 11A A2BM766 Lawn Mower outlet, Troy Bilt TB320 150 cc 21 in Self Propelled Gas Lawn Mower with outlet, Troy Bilt TB320 Item 806388 Lowe s Lawn Mower Tractor outlet, Carburetor For Troy Bilt TB320 TB330 TB340 TB370 TB554 11A A2BM766 outlet, Original OEM Troy Bilt MTD 918 06038 TRANS ASM SP 53CM outlet.
- 
                        
                            Next Day Delivery by DPD
                        
                        
                            Find out more
                        
                        
Order by 9pm (excludes Public holidays)
$11.99
 - 
                        
                            Express Delivery - 48 Hours
                        
                        
                            Find out more
                        
                        
Order by 9pm (excludes Public holidays)
$9.99
 - 
                        
Standard Delivery $6.99 Find out more
Delivered within 3 - 7 days (excludes Public holidays).
 - 
                        
Store Delivery $6.99 Find out more
Delivered to your chosen store within 3-7 days
Spend over $400 (excluding delivery charge) to get a $20 voucher to spend in-store - 
                        
International Delivery Find out more
International Delivery is available for this product. The cost and delivery time depend on the country.
 
You can now return your online order in a few easy steps. Select your preferred tracked returns service. We have print at home, paperless and collection options available.
You have 28 days to return your order from the date it’s delivered. Exclusions apply.
View our full Returns and Exchanges information.
Our extended Christmas returns policy runs from 28th October until 5th January 2025, all items purchased online during this time can be returned for a full refund.
Find similar items here:
Troy outlet bilt tb320
- troy bilt tb320
 - troy bilt 675 series
 - troy bilt 42 deck
 - troy bilt mustang xp 50
 - husqvarna 430x automower
 - snapper riding mower parts diagram
 - snapper z rider
 - troy bilt tb200 carburetor
 - troy bilt mustang z46
 - troy bilt engine